電気工事士第一種
Home
[PR]
×
[PR]上記の広告は3ヶ月以上新規記事投稿のないブログに表示されています。新しい記事を書く事で広告が消えます。
2026/04/02 03:26
平成30年 第8問 電気工事士第一種
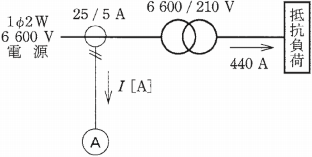
図のように, 変圧比が6600/210 Vの単相変圧器の二次側に抵抗負荷が接続され,その負荷電流は440 Aであった。このとき,変圧器の一次側に設置された変流器の二次側に流れる電流I[A]は。
ただし,変流器の変流比は25/5Aとし,負荷抵抗以外のインピーダンスは無視する。
イ. 2.6
ロ. 2.8
ハ. 3.0
ニ. 3.2
資格試験一覧
体験ブログ
無料 競艇予想 本日の競艇レース一覧
PR
未選択
2018/07/25 21:10
0
平成30年 第7問の答え 電気工事士第一種
ハ
資格試験一覧
体験ブログ
無料 競艇予想 本日の競艇レース一覧
情報処理技術者資格
ITパスポート試験
基本情報技術者試験
情報セキュリティマネジメント
応用情報技術者試験
情報処理安全確保支援士
ITサービスマネージャー試験
ITストラテジスト試験
エンベデッドシステムスペシャリスト試験
システムアーキテクト試験
システム監査技術者試験
データベーススペシャリスト試験
ネットワークスペシャリスト試験
プロジェクトマネージャ試験
情報処理高度共通午前Ⅰ
PCスキル系資格
ウェブデザイン1級
ウェブデザイン2級
ウェブデザイン3級
司法・法律系資格
司法試験
司法試験予備試験
司法書士試験
弁理士試験
行政書士試験
通関士
海事代理士試験
医療・福祉系資格
精神保健福祉士試験
介護福祉士試験
社会福祉士試験
医師国家試験
歯科医師試験
獣医師試験
助産師試験
看護師試験
保健師試験
登録販売者
臨床検査技師試験
臨床工学技士試験
あん摩マッサージ指圧師試験
はり師きゅう師試験
診療放射線技師試験
放射線取扱主任者2級
放射線取扱主任者1級
薬剤師試験
視能訓練士試験
柔道整復師試験
作業療法士試験
理学療法士試験
財務・金融系資格
貸金業務取扱主任者
公認会計士
土地・管理系資格
運行管理者
管理業務主任者試験
マンション維持修繕技術者
マンション管理士
土地家屋調査士試験
土地改良換地士試験
宅地建物取引主任者
土地区画整理士技術検定
不動産鑑定士試験
測量士試験
測量士補試験
地理・ガイド系資格
国内旅行業務取扱管理者
無線系資格
アマチュア無線技士1級
アマチュア無線技士2級
海上特殊無線技士1級
海上特殊無線技士2級
海上特殊無線技士3級
海上無線通信士1級
海上無線通信士2級
海上無線通信士3級
海上無線通信士4級
総合無線通信士1級
総合無線通信士2級
総合無線通信士3級
陸上特殊無線技士1級
陸上特殊無線技士2級
陸上特殊無線技士3級
陸上無線技術士1級
陸上無線技術士2級
航空無線通信士
レーダー級海上特殊無線技士
航空特殊無線技士
国内電信級陸上特殊無線技士
航海用レーダー整備士
航海用無線設備整備士
主任船舶電装士
船舶電装管理者
船舶電装士
航空工場検査員
電気系資格
電気通信の工事担任者
電気通信主任技術者線路主任技術者
電気通信主任技術者伝送交換主任技術者
電気工事士第一種
電気工事士第二種
電気主任技術者第一種
電気主任技術者第二種
電気主任技術者第三種
環境系資格
浄化槽管理士
浄化槽設備士
公害防止管理者
計量士
気象予報士試験
総務・コンサル系資格
社会保険労務士試験
中小企業診断士試験
FP技能1級FP協会
FP技能1級金財
FP技能2級FP協会
FP技能2級金財
FP技能3級FP協会
FP技能3級金財
金融窓口サービス1級
金融窓口サービス2級
金融窓口サービス3級テラー業務
金融窓口サービス3級金融商品コンサルティング
知的財産管理1級コンテンツ
知的財産管理1級ブランド
知的財産管理1級特許
知的財産管理2級※全問(学科実技)
知的財産管理3級※全問(学科実技)
教育・学術系資格
保育士資格
ピアノ調律技能検定1級
ピアノ調律技能検定2級
ピアノ調律技能検定3級
飲食・サービス系資格
管理栄養士
調理師
製菓衛生師
レストランサービス1級
レストランサービス2級
レストランサービス3級
技能系資格
クリーニング師
美容師試験
理容師試験
技術士資格統合版
技術士機械
技術士船舶・海洋
技術士航空・宇宙
技術士電気電子
技術士化学
技術士繊維
技術士金属
技術士資源工学
技術士建設
技術士上下水道
技術士衛生工学
技術士農業
技術士森林
技術士水産
技術士経営工学
技術士情報工学
技術士応用理学
技術士生物工学
技術士環境
技術士原子力・放射線
技術士総合技術監理部門
建築・施工系資格
建築士一級
建築士二級
木造建築士
建築設備士
インテリアプランナー
給水装置工事主任
舗装施工管理1級
舗装施工管理2級
建築施工管理1級
建築施工管理2級
電気工事施工管理1級
電気工事施工管理2級
建設機械施工技術1級
建設機械施工技術2級
土木施工管理技術1級
土木施工管理技術2級鋼構造物塗装
土木施工管理技術2級土木
土木施工管理技術2級薬液注入
管工事施工管理1級
管工事施工管理2級
造園施工管理1級
造園施工管理2級
施工・技術系資格
クレーン・デリック運転士(クレーン限定)
クレーン・デリック運転士(限定なし)
移動式クレーン運転士
特級ボイラー技士
特別ボイラー溶接士
普通ボイラー溶接士
エックス線作業主任者
ガス溶接作業主任者
ガンマ線透過写真撮影作業主任者
高圧室内作業主任者
作業環境測定士第一種
作業環境測定士第二種
潜水士
発破技士
林業架線作業主任者
揚貨装置運転士
ボイラー技士一級
ボイラー技士二級
ボイラー整備士試験
施工・管理系資格
建築物環境衛生管理
衛生管理者第一種
衛生管理者第二種
労働安全コンサルタント
労働衛生コンサルタント
火薬類(製造・取扱)保安責任者
未選択
2018/07/25 21:09
0
平成30年 第7問 電気工事士第一種
図のように,配電用変電所の変圧器の百分率インピーダンスが基準容量30 MV・Aで18%, 変電所から電源側の百分率インピーダンスが 基準容量10 MV・Aで2%, 高圧配電線の百分率インピーダンスが基準容量10 MV・Aで 3%である。高圧需要家の受電点(A点) から電源側の合成百分率インピーダンスは 基準容量10 MV・Aでいくらか。
ただし, 百分率インピーダンスの百分率抵抗と百分率リアクタンスの比は, いずれも 等しいとする。
イ. 7%
ロ. 9%
ハ. 11%
二. 23%
資格試験一覧
体験ブログ
無料 競艇予想 本日の競艇レース一覧
未選択
2018/07/25 21:09
0
平成30年 第6問の答え 電気工事士第一種
ハ
資格試験一覧
体験ブログ
無料 競艇予想 本日の競艇レース一覧
情報処理技術者資格
ITパスポート試験
基本情報技術者試験
情報セキュリティマネジメント
応用情報技術者試験
情報処理安全確保支援士
ITサービスマネージャー試験
ITストラテジスト試験
エンベデッドシステムスペシャリスト試験
システムアーキテクト試験
システム監査技術者試験
データベーススペシャリスト試験
ネットワークスペシャリスト試験
プロジェクトマネージャ試験
情報処理高度共通午前Ⅰ
PCスキル系資格
ウェブデザイン1級
ウェブデザイン2級
ウェブデザイン3級
司法・法律系資格
司法試験
司法試験予備試験
司法書士試験
弁理士試験
行政書士試験
通関士
海事代理士試験
医療・福祉系資格
精神保健福祉士試験
介護福祉士試験
社会福祉士試験
医師国家試験
歯科医師試験
獣医師試験
助産師試験
看護師試験
保健師試験
登録販売者
臨床検査技師試験
臨床工学技士試験
あん摩マッサージ指圧師試験
はり師きゅう師試験
診療放射線技師試験
放射線取扱主任者2級
放射線取扱主任者1級
薬剤師試験
視能訓練士試験
柔道整復師試験
作業療法士試験
理学療法士試験
財務・金融系資格
貸金業務取扱主任者
公認会計士
土地・管理系資格
運行管理者
管理業務主任者試験
マンション維持修繕技術者
マンション管理士
土地家屋調査士試験
土地改良換地士試験
宅地建物取引主任者
土地区画整理士技術検定
不動産鑑定士試験
測量士試験
測量士補試験
地理・ガイド系資格
国内旅行業務取扱管理者
無線系資格
アマチュア無線技士1級
アマチュア無線技士2級
海上特殊無線技士1級
海上特殊無線技士2級
海上特殊無線技士3級
海上無線通信士1級
海上無線通信士2級
海上無線通信士3級
海上無線通信士4級
総合無線通信士1級
総合無線通信士2級
総合無線通信士3級
陸上特殊無線技士1級
陸上特殊無線技士2級
陸上特殊無線技士3級
陸上無線技術士1級
陸上無線技術士2級
航空無線通信士
レーダー級海上特殊無線技士
航空特殊無線技士
国内電信級陸上特殊無線技士
航海用レーダー整備士
航海用無線設備整備士
主任船舶電装士
船舶電装管理者
船舶電装士
航空工場検査員
電気系資格
電気通信の工事担任者
電気通信主任技術者線路主任技術者
電気通信主任技術者伝送交換主任技術者
電気工事士第一種
電気工事士第二種
電気主任技術者第一種
電気主任技術者第二種
電気主任技術者第三種
環境系資格
浄化槽管理士
浄化槽設備士
公害防止管理者
計量士
気象予報士試験
総務・コンサル系資格
社会保険労務士試験
中小企業診断士試験
FP技能1級FP協会
FP技能1級金財
FP技能2級FP協会
FP技能2級金財
FP技能3級FP協会
FP技能3級金財
金融窓口サービス1級
金融窓口サービス2級
金融窓口サービス3級テラー業務
金融窓口サービス3級金融商品コンサルティング
知的財産管理1級コンテンツ
知的財産管理1級ブランド
知的財産管理1級特許
知的財産管理2級※全問(学科実技)
知的財産管理3級※全問(学科実技)
教育・学術系資格
保育士資格
ピアノ調律技能検定1級
ピアノ調律技能検定2級
ピアノ調律技能検定3級
飲食・サービス系資格
管理栄養士
調理師
製菓衛生師
レストランサービス1級
レストランサービス2級
レストランサービス3級
技能系資格
クリーニング師
美容師試験
理容師試験
技術士資格統合版
技術士機械
技術士船舶・海洋
技術士航空・宇宙
技術士電気電子
技術士化学
技術士繊維
技術士金属
技術士資源工学
技術士建設
技術士上下水道
技術士衛生工学
技術士農業
技術士森林
技術士水産
技術士経営工学
技術士情報工学
技術士応用理学
技術士生物工学
技術士環境
技術士原子力・放射線
技術士総合技術監理部門
建築・施工系資格
建築士一級
建築士二級
木造建築士
建築設備士
インテリアプランナー
給水装置工事主任
舗装施工管理1級
舗装施工管理2級
建築施工管理1級
建築施工管理2級
電気工事施工管理1級
電気工事施工管理2級
建設機械施工技術1級
建設機械施工技術2級
土木施工管理技術1級
土木施工管理技術2級鋼構造物塗装
土木施工管理技術2級土木
土木施工管理技術2級薬液注入
管工事施工管理1級
管工事施工管理2級
造園施工管理1級
造園施工管理2級
施工・技術系資格
クレーン・デリック運転士(クレーン限定)
クレーン・デリック運転士(限定なし)
移動式クレーン運転士
特級ボイラー技士
特別ボイラー溶接士
普通ボイラー溶接士
エックス線作業主任者
ガス溶接作業主任者
ガンマ線透過写真撮影作業主任者
高圧室内作業主任者
作業環境測定士第一種
作業環境測定士第二種
潜水士
発破技士
林業架線作業主任者
揚貨装置運転士
ボイラー技士一級
ボイラー技士二級
ボイラー整備士試験
施工・管理系資格
建築物環境衛生管理
衛生管理者第一種
衛生管理者第二種
労働安全コンサルタント
労働衛生コンサルタント
火薬類(製造・取扱)保安責任者
未選択
2018/07/25 21:08
0
平成30年 第6問 電気工事士第一種
図のような単相3線式配電線路において, 負荷A,負荷Bともに消費電力800 W,力率 0.8(遅れ)である。負荷電圧がともに100 V であるとき, この配電線路の電力損失[W]は。 ただし,電線1線当たりの抵抗は0.4Ω とし,配電線路のリアクタンスは無視する。
イ. 40
ロ. 60
ハ. 80
ニ. 120
資格試験一覧
体験ブログ
無料 競艇予想 本日の競艇レース一覧
未選択
2018/07/25 21:07
0
前のページ
Home
次のページ
プロフィール
HN:
No Name Ninja
性別:
非公開
カテゴリー
未選択(20)
最新記事
平成30年 第10問の答え 電気工事士第一種
(07/25)
平成30年 第10問 電気工事士第一種
(07/25)
平成30年 第9問の答え 電気工事士第一種
(07/25)
平成30年 第9問 電気工事士第一種
(07/25)
平成30年 第8問の答え 電気工事士第一種
(07/25)
RSS
RSS 0.91
RSS 1.0
RSS 2.0
リンク
管理画面
新しい記事を書く
P R
ページトップ